Notices
86-95 Trucks & 4Runners 2nd/3rd gen pickups, and 1st/2nd gen 4Runners with IFS

22RE EFI question.

Thread Tools
 
Search this Thread
 
Old Aug 1, 2022 | 08:56 PM
  #1  
rpoz28's Avatar
Thread Starter
Registered User
 
Joined: Aug 2022
Posts: 21
Likes: 10
22RE EFI question.

I looked around, but didn't see a problem quite like mine, so here goes. Son's '86 4x4 22RE sat for several years, after the fuel pump died. I've replaced the pump, strainer, pump holder, (all the lines had rusted), fuel lines, and the fuel filter. It'll start on the cold injector, then dies. I bypassed the fuel pressure relay, and still nothing. I have power to the injectors. Plan to take a look at the MAF in the morning. Anything obvious I could be overlooking?
Reply
Old Aug 1, 2022 | 09:31 PM
  #2  
RAD4Runner's Avatar
Registered User
10 Year Member
Liked
Loved
Community Favorite
 
Joined: Mar 2012
Posts: 7,125
Likes: 681
Check your C.O.R. system function:
https://www.yotatech.com/forums/f116.../#post52387681

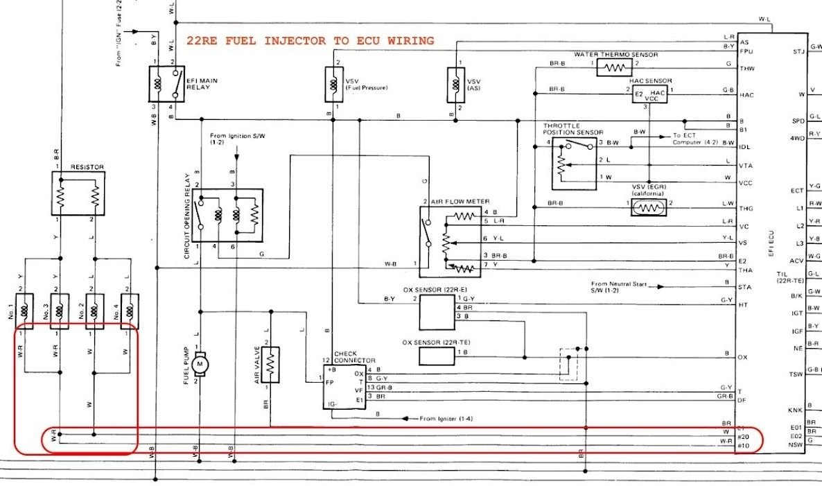
Check wiring between NEGATIVE side of injectors to ECU pins 10 and 20. There are crimps that jump all negatives together which get corroded/easy to break:


Reply
Old Aug 2, 2022 | 03:46 AM
  #3  
rpoz28's Avatar
Thread Starter
Registered User
 
Joined: Aug 2022
Posts: 21
Likes: 10
Thank you. That helps.
Reply
Old Aug 9, 2022 | 02:26 PM
  #4  
rpoz28's Avatar
Thread Starter
Registered User
 
Joined: Aug 2022
Posts: 21
Likes: 10
My COR ohms ok. We manipulated the MAF vane, and it started and ran fine as long as the vane was open. I assume I have a good ECU, good injectors, adequate fuel pressure, spark and power to the injectors. Could it be the TPS? This thing is driving me nuts. Any help is much appreciated.
Reply
Old Aug 9, 2022 | 02:32 PM
  #5  
rpoz28's Avatar
Thread Starter
Registered User
 
Joined: Aug 2022
Posts: 21
Likes: 10
Also, the pins to the ECU are good.
Reply
Old Aug 10, 2022 | 05:58 AM
  #6  
scope103's Avatar
Registered User
15 Year Member
 
Joined: Sep 2007
Posts: 8,384
Likes: 875
From: San Francisco East Bay
Originally Posted by rpoz28
... it started and ran fine as long as the vane was open....
Why won't the vane stay open on it's own with the engine running? Do you have all the induction plumbing hooked up? (Back in the day, you could run a carbureted vehicle with the air cleaner removed. Not so with Fuel Injection.)
Reply
Old Aug 10, 2022 | 12:37 PM
  #7  
rpoz28's Avatar
Thread Starter
Registered User
 
Joined: Aug 2022
Posts: 21
Likes: 10
I don't know. I had everything hooked up except the lid of the AF. I suppose it may be staying open to some extent, but can't see it with the lid on the AF. I tried the MAF from my '87 4Runner, and the results were the same. Very confusing.
Reply
Old Aug 11, 2022 | 01:33 PM
  #8  
Smellfunny2000's Avatar
Registered User
 
Joined: Aug 2020
Posts: 4
Likes: 1
My 90 pickup with 22RE died on me and would not start. I thought it was the fuel pump so I put a new one on. It wasn't. Started checking everything and came here and saw that there is a relay behind the glove box to kill the pump if you get in an accident (if I remember correctly). That relay was bad. I replaced it and it fired right up.
Reply
Old Aug 12, 2022 | 12:01 PM
  #9  
2ToyGuy's Avatar
Registered User
20 Year Member
Liked
Loved
Community Favorite
 
Joined: Jul 2005
Posts: 2,345
Likes: 657
From: Chiloquin, OR
That's the Circuit Opening Relay (COR), and shutting the fuel pump off is exactly what it's for. Actually a really good safety feature.

It's behind the passenger side kick panel, right above the ECU. Very easy to find, and remove. Unplug the connector, and there's a single screw/bolt on it's top holding it in. Easy to find, easy to replace.
Costs about $65.00 from a dealership. A small price to pay for a relay that could very easily save you, or a first responder, from a horrible death in an accident. I didn't hesitate a moment when mine needed to be replaced.

Good luck!
Pat☺
Reply
Old Aug 12, 2022 | 02:52 PM
  #10  
Smellfunny2000's Avatar
Registered User
 
Joined: Aug 2020
Posts: 4
Likes: 1
I bought mine off of Amazon for around 45.00. I was so happy that that was the problem.

Denso 567-0036 Relay


Originally Posted by 2ToyGuy
That's the Circuit Opening Relay (COR), and shutting the fuel pump off is exactly what it's for. Actually a really good safety feature.

It's behind the passenger side kick panel, right above the ECU. Very easy to find, and remove. Unplug the connector, and there's a single screw/bolt on it's top holding it in. Easy to find, easy to replace.
Costs about $65.00 from a dealership. A small price to pay for a relay that could very easily save you, or a first responder, from a horrible death in an accident. I didn't hesitate a moment when mine needed to be replaced.

Good luck!
Pat☺
Reply
Old Aug 12, 2022 | 04:09 PM
  #11  
scope103's Avatar
Registered User
15 Year Member
 
Joined: Sep 2007
Posts: 8,384
Likes: 875
From: San Francisco East Bay
If rpoz28's truck runs fine with the VAF vane held open, his problem is not the COR. Replacing it will be $65 thrown down the parts cannon.

He needs to figure out why the vane isn't moving (or not moving far enough). Even if it moves far enough to hit the FC switch, if it doesn't correctly measure airflow his truck couldn't possibly run right.
Reply
Old Aug 13, 2022 | 12:04 PM
  #12  
2ToyGuy's Avatar
Registered User
20 Year Member
Liked
Loved
Community Favorite
 
Joined: Jul 2005
Posts: 2,345
Likes: 657
From: Chiloquin, OR
Oh, I agree completely. I was just tossing out what I knew about the COR, as there seemed a lack of information about it. I just wanted to clarify what the COR was and what it does. I wasn't trying to imply that it was the problem.

Definitely need to figure out why the AFM vane isn't opening. It shouldn't take much movement of the vane to make the FC switch. at idle, the vane should be open plenty far enough to make the FC switch. If it's not, why not is the critical question. Is the air plumbing from the AFM to the TB, the large tube, the trouble? The corner pieces are known to develop cracks and leaks, that can cause this. Or if the AFM has been modified somehow, so the switch got shifted slightly, could that be the trouble? Could the air filter be restricting the air flow? Clogged with dirt/leaves/debris of some kind?

Anywho, that's what few things I can think of right off...
Pat☺
Reply
Old Aug 13, 2022 | 03:00 PM
  #13  
Smellfunny2000's Avatar
Registered User
 
Joined: Aug 2020
Posts: 4
Likes: 1
To be honest I only saw the very first post when I replied. Not sure how I missed the other responses. Guess I was just thrilled to share what fixed mine. : )
Reply
Old Aug 14, 2022 | 10:04 AM
  #14  
rpoz28's Avatar
Thread Starter
Registered User
 
Joined: Aug 2022
Posts: 21
Likes: 10
Computer crashed the other day, so I haven't been able to check in. On a whim, I replaced the TPS. It didn't fix the issue either. I have the friend of a friend that was a Toyota tech for years taking a look at it later this week. Darnedest thing I've ever fought with.
Reply
Old Aug 14, 2022 | 11:16 AM
  #15  
87-4runner's Avatar
Registered User
 
Joined: Mar 2012
Posts: 1,139
Likes: 414
From: Oklahoma
The TPS can be VERY finicky... make triple sure it's set right.
Reply
Old Aug 14, 2022 | 01:54 PM
  #16  
rpoz28's Avatar
Thread Starter
Registered User
 
Joined: Aug 2022
Posts: 21
Likes: 10
That's where I am right now. Trying to make it happy.
Reply
Old Aug 14, 2022 | 03:07 PM
  #17  
87-4runner's Avatar
Registered User
 
Joined: Mar 2012
Posts: 1,139
Likes: 414
From: Oklahoma
Originally Posted by rpoz28
That's where I am right now. Trying to make it happy.
the TPS and the Distributer should both be close to the centered of adjustment...
Reply
Old Aug 15, 2022 | 09:52 AM
  #18  
scope103's Avatar
Registered User
15 Year Member
 
Joined: Sep 2007
Posts: 8,384
Likes: 875
From: San Francisco East Bay
How on earth would the TPS have anything to do with the VAF vane's movement?

If you keep fiddling with things "on a whim," you'll quickly end up with 20 things wrong instead of just one. (fuel pump, COR, TPS, ....)
Reply
Old Aug 15, 2022 | 02:57 PM
  #19  
rpoz28's Avatar
Thread Starter
Registered User
 
Joined: Aug 2022
Posts: 21
Likes: 10
The fuel pump was destroyed. The COR ohmed fine and isn't the issue. The spring in the original TPS wouldn't close it all the way so I tried a new one. It's the only thing I've replaced on a whim. I should add that you make a good point. I haven't replaced anything except the fuel pump, filter, pump holder, and the TPS.

Last edited by rpoz28; Aug 16, 2022 at 05:26 AM.
Reply
Old Aug 24, 2022 | 06:09 PM
  #20  
rpoz28's Avatar
Thread Starter
Registered User
 
Joined: Aug 2022
Posts: 21
Likes: 10
I only had 4-5 PSI fuel pressure at the tank, when it should have been around 40-50. The pump I installed was bad. Replaced the pump, and it runs fine.
Reply
Related Topics
Thread
Thread Starter
Forum
Replies
Last Post
Jweger
Newbie Tech Section
19
Jan 13, 2019 05:37 AM
Yellow Rose
86-95 Trucks & 4Runners
2
May 27, 2018 03:00 PM
j0rdanisme
86-95 Trucks & 4Runners
10
Sep 30, 2010 10:48 AM
94PUSR530
Newbie Tech Section
10
Jan 30, 2010 07:34 PM
red89yota
86-95 Trucks & 4Runners
4
Nov 17, 2007 06:22 PM




All times are GMT -8. The time now is 12:27 PM.