Help with headlights
#21
#22
Cool thx 94
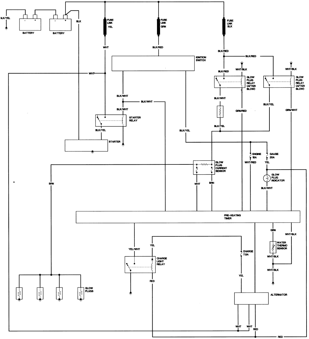
So here's where I am right now: I have confirmed I have the following wire colors into the harness...
Thx for the help you guys.
So here's where I am right now: I have confirmed I have the following wire colors into the harness...
- White
- Black / Red
- Red / Blue
- Red FL (50amp) --------------> White wire ----------------> Alternator / Heater etc...
- Green FL (40amp) ----------> Black / Red wire --------> Ign. Switch etc...
- Green FL (40amp) ----------> Red / Blue wire ---------> Headlight relay
Thx for the help you guys.
#23
Great info fellas. Lon, if you get time, would you mind posting a clear pic of that page of your wiring diagram? I have a hunch that your FL values are going to be the same as that crappy pic that I have been trying to work off of. Would like to confirm that if possible. Thanks guys.
#24
#25
Thanks Lon - I downloaded them and are a bit fuzzy to read but I appreciate it. No worries - I got the fusible links figured out. Had to order them from Napa but they came in the same day. Headlights are working!
#26
Photo bucket sucks! Use the file or photo attachment options and you will have better results. As a bonus side effect the files are hosted on yotatech servers and can't be easily lost.
Thread
Thread Starter
Forum
Replies
Last Post
Topteke
General Electrical & Lighting Related Topics
10
Sep 13, 2016 09:04 AM
HoLeePheeuk
Newbie Tech Section
5
Sep 1, 2016 03:24 PM
Ursamajor
General Electrical & Lighting Related Topics
4
Aug 31, 2016 04:32 AM
pursang
General Electrical & Lighting Related Topics
4
Aug 30, 2016 08:39 PM





