Notices
86-95 Trucks & 4Runners 2nd/3rd gen pickups, and 1st/2nd gen 4Runners with IFS

95 4R tailgate window switch

Thread Tools
 
Search this Thread
 
Old Feb 20, 2021 | 06:34 AM
  #1  
exray's Avatar
Thread Starter
Registered User
 
Joined: May 2013
Posts: 37
Likes: 3
From: Vieques Island, Puerto Rico
95 4R tailgate window switch

Hi,
Problem of the day is the power switch on the console will no longer power the tailgate window up/down. It works fine with the key in back. So I pulled it out and (of course) it doesn't seem to match up with any diagrams I can find.
It has a small 'bulb' in the side which I guess is a fuse of some sort and that bulb measures open.
I need some sort of diagram or explanation about this thing. I'd hate to throw a $50 used part at it only to have the little bulb go open again because of some other fault.
Anybody familiar with it?
TIA, Bill
Reply
Old Feb 21, 2021 | 08:30 PM
  #2  
coopster's Avatar
Registered User
15 Year Member
Liked
Loved
Community Favorite
 
Joined: Jan 2011
Posts: 695
Likes: 103
From: exo-reality -wave if you see me; Front Range, CO
95 4runner Rear window schematics

Here. Merry Christmas lol

I have a 95 (Oct build) and these match exacry.

Attached Files
File Type: pdf
Rwindow1.pdf (292.6 KB, 88 views)
File Type: pdf
Rwindow2.pdf (358.3 KB, 94 views)
Reply
Old Feb 22, 2021 | 06:03 AM
  #3  
exray's Avatar
Thread Starter
Registered User
 
Joined: May 2013
Posts: 37
Likes: 3
From: Vieques Island, Puerto Rico
Thanks, and Happy New Year!. I have that diagram already and it just doesn't seem to correspond with my switch.
Here's a pic of the little bulb/fuse from the side of the switch. It doesn't resemble any diodes like shown on the diagram but frankly I haven't tested it as a diode. There's only two connections on it. It seems to connect from pin 1 to pin 5 on the switch. Could it be simply to illuminate the UP lettering on the button? I've never noticed it if it ever did.
If that's the case then it has nothing to do with my problem.


bulb fuse?

Last edited by exray; Feb 22, 2021 at 06:08 AM.
Reply
Old Feb 22, 2021 | 11:37 AM
  #4  
2ToyGuy's Avatar
Registered User
20 Year Member
Liked
Loved
Community Favorite
 
Joined: Jul 2005
Posts: 2,345
Likes: 656
From: Chiloquin, OR
That, sir, is a light bulb, missing it's filament. All it takes is a few oxygen molecules, and the filament goes PFFFT! Since the bulb heats the glass, and then it cools when it's turned off, after so many cycles, you're bound to get a crack in the glass. A little O2 gets in, and that's the end of the filament. That's why LEDs last forever. Air can't get in, and even if it does, no filament to go PFFFFT! Just a little silicon. You ever see sand burn up? I rest my case
No fuse action. After more than 35 years as a professional radar tech, I know a light bulb when I see one, and that is positively a light bulb. No doubt in my little pea brain.

Probably there to light up the bezel of the switch, but I may be wrong on that. Show you the switch at night.


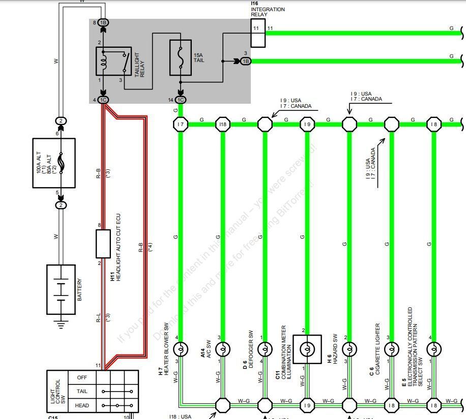
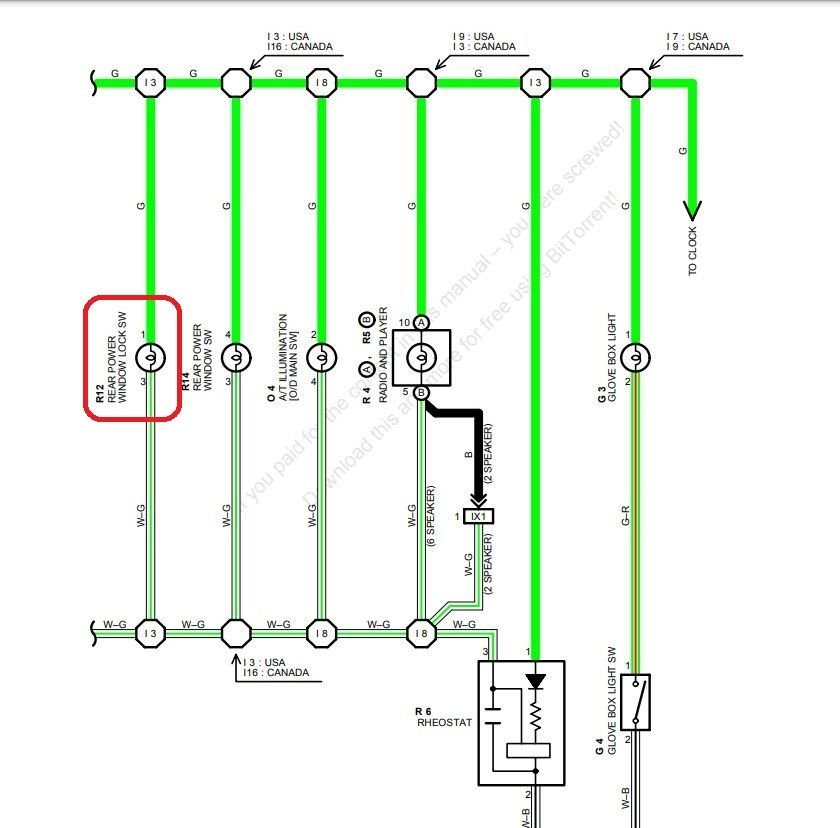
Power supply line from tail fuse, etc.

Your bulb is circled(?!) in red.
Ground is just off the bottom of the page.

Good luck!
Pat☺
Reply
Old Feb 22, 2021 | 12:01 PM
  #5  
exray's Avatar
Thread Starter
Registered User
 
Joined: May 2013
Posts: 37
Likes: 3
From: Vieques Island, Puerto Rico
Occam's Razor. If it looks like a light bulb then it probably is a light bulb
I guess a direct replacement is difficult/impossible to find although I'm a pretty handy scrounger. Its the least of my problems, though.
Thanks.
Reply
Old Feb 22, 2021 | 02:01 PM
  #6  
2ToyGuy's Avatar
Registered User
20 Year Member
Liked
Loved
Community Favorite
 
Joined: Jul 2005
Posts: 2,345
Likes: 656
From: Chiloquin, OR
Quick search found THIS. I'm pretty sure that's the bulb you need.

They're still all over the place. Easy to find. Car manufacturers are pretty old fashioned when it comes to this kinda thing. Planned Obsolescence, dontcha know. Bulbs fail, LED's don't. No money from LED's.

Hope that helps a little...
Pat☺
Reply
Old Feb 22, 2021 | 05:19 PM
  #7  
exray's Avatar
Thread Starter
Registered User
 
Joined: May 2013
Posts: 37
Likes: 3
From: Vieques Island, Puerto Rico
Cool! It looks like the little bulb crosses to a Sylvania 2721 and there's lots of options. But alas, my switch looks like a dead duck. Although it doesn't match the diagram numbers/colors I can't get continuity in any combination. I see some on ebay at $15-20 that might work without plunking down 50 bucks for a used one. Did I say I'm a scrounger? Amazingly the cut out size is somewhat common.
A Work in progress...not there yet.
Reply
Old Feb 22, 2021 | 06:25 PM
  #8  
scope103's Avatar
Registered User
15 Year Member
 
Joined: Sep 2007
Posts: 8,381
Likes: 873
From: San Francisco East Bay
I think the bulb you're looking for is a "Neo-Wedge" bulb.
Amazon Amazon
I'm guessing you want a T-1, which means the glass envelope is one eighth inch in diameter (3mm). (You don't care much about the bulb size, but the base size. Which appears to follow the bulb size.)
Reply
Old Mar 4, 2021 | 07:14 AM
  #9  
rattlecanpaint's Avatar
Registered User
 
Joined: Apr 2007
Posts: 89
Likes: 21
From: Winston Salem, NC
The way the switch works is to transfer 12 volts directly to the window motor on one wire for up and the other wire for down. (It basically reverses polarity) the contacts can burn up in the switch causing your issue. It could also be a burnt wire or connector to the rear end.

Last edited by rattlecanpaint; Mar 4, 2021 at 07:21 AM.
Reply
Old Mar 4, 2021 | 09:00 AM
  #10  
exray's Avatar
Thread Starter
Registered User
 
Joined: May 2013
Posts: 37
Likes: 3
From: Vieques Island, Puerto Rico
I just got the new switch installed yesterday. Found on Amazon for a few bucks. Haven't performed the necropsy on the old one to see why it failed. Yes, its a simple SPDT Momentary switch.
Reply
Related Topics
Thread
Thread Starter
Forum
Replies
Last Post
fierohink
95.5-2004 Tacomas & 96-2002 4Runners
5
May 1, 2022 06:14 PM
yotes86
General Electrical & Lighting Related Topics
17
Feb 26, 2014 09:02 PM
miamifins
86-95 Trucks & 4Runners
8
Apr 2, 2013 12:45 PM
95_4X4Runner
95.5-2004 Tacomas & 96-2002 4Runners
5
Jan 5, 2003 05:14 PM




All times are GMT -8. The time now is 10:28 PM.