Offroad Tech Discussion pertaining to additions or questions which improve off-road ability, recovery and safety, such as suspension, body lifts, lockers etc
Sponsored by:
Sponsored by:

In cab winch control

Thread Tools
 
Search this Thread
 
Old Dec 5, 2023 | 06:24 PM
  #1  
K5BEAST's Avatar
Thread Starter
Registered User
 
Joined: Jul 2021
Posts: 85
Likes: 4
From: North Idaho
In cab winch control

Can anyone provide or point me to a wiring diagram for in cab winch controls for dual winches? I have a winch front and rear and would like in can controls. I'm thinking a 3 position switch (front/off/rear) and one momentary 3 position switch (winch in/neutral/ winch out). That way the first switch can select the winch to be used as well as a safety so the winch isn't activated accidentally. The second switch activates the winch in or out. Trying to stay away from a in/out switch for each winch.
Reply
Old Dec 5, 2023 | 08:06 PM
  #2  
aztoyman's Avatar
Registered User
10 Year Member
Liked
Loved
Community Favorite
 
Joined: Nov 2012
Posts: 1,165
Likes: 172
From: Tucson
This guy used to make some nice winch control panels. There's tons of threads on various forums about him going out of business ....or not? Maybe you can find out for sure. http://www.billavista.com/tech/Artic...nel/index.html

Sorry to hijack but, I gotta ask, How far is your longest cable run to the battery? What gauge wire are you running? My battery is in the cab floor behind the passenger seat. Looks like it's going to be about a 15 foot cable run one way. My winch pulls close to 500 amps at stall according to Warn specs. Not that I would have it at stall very often and only momentary if I did.
Reply
Old Dec 5, 2023 | 10:57 PM
  #3  
K5BEAST's Avatar
Thread Starter
Registered User
 
Joined: Jul 2021
Posts: 85
Likes: 4
From: North Idaho
I'm not looking to purchase, looking more for a schematic of the system. Not sure about the winch cable, recently acquired a 4runner crawler and it was done by the previous owner. It has a second battery behind the back seat so I wood say that run is 3-4ft. Same in front.
Reply
Old Dec 7, 2023 | 05:39 AM
  #4  
rattlewagon's Avatar
Registered User
15 Year Member
Liked
 
Joined: Oct 2009
Posts: 4,832
Likes: 332
From: Northfield, Vermont
Depends on what winch you are working with. I would wire them on their own switches incase you ever need to work both at once.

I did make my own from a momentary 3 position switch. https://www.yotatech.com/forums/f31/...evival-250910/

This is from 4xwires old site and worked well for my warn xd9000!




Reply
Old Dec 8, 2023 | 02:22 AM
  #5  
K5BEAST's Avatar
Thread Starter
Registered User
 
Joined: Jul 2021
Posts: 85
Likes: 4
From: North Idaho
Yeah, I've wired up in cab winch controls for a warn in my k5 I used to wheel. Loved it. When would i ever need to operate both winches simultaneously? I doubt the electrical system could handle 2 at once anyways. It barely can handle one at the moment.


FWIW, the front is a warn xd9000 and the rear is a 12k badlands. Both 5 pin

Last edited by K5BEAST; Dec 8, 2023 at 02:23 AM.
Reply
Old Dec 8, 2023 | 03:58 AM
  #6  
rattlewagon's Avatar
Registered User
15 Year Member
Liked
 
Joined: Oct 2009
Posts: 4,832
Likes: 332
From: Northfield, Vermont
With the 5 pin, you just need to jumper the two "controller wires" together


Reply
Old Dec 30, 2023 | 11:37 AM
  #7  
K5BEAST's Avatar
Thread Starter
Registered User
 
Joined: Jul 2021
Posts: 85
Likes: 4
From: North Idaho
Having issues getting this to work. First off, I was wrong in the model. It's a warn 9000R/C winch.

I wired it up as shown in the above diagrams and all I get is spool in, regardless if I press winch in or winch out, both spool it in. I've triple checked the wiring. Nothing is touching anything else in the solenoid area. The hand controller works fine, in and out as it should.

What am I missing here? I've wired up winches before in cab with great success.
Reply
Old Jan 1, 2024 | 01:32 PM
  #8  
K5BEAST's Avatar
Thread Starter
Registered User
 
Joined: Jul 2021
Posts: 85
Likes: 4
From: North Idaho
Got it. Was a grounding issue.
Reply
Old Jan 2, 2024 | 08:11 PM
  #9  
aztoyman's Avatar
Registered User
10 Year Member
Liked
Loved
Community Favorite
 
Joined: Nov 2012
Posts: 1,165
Likes: 172
From: Tucson
Glad you got it. Thanks for posting the solution.
Reply
Old Jan 19, 2024 | 09:06 PM
  #10  
K5BEAST's Avatar
Thread Starter
Registered User
 
Joined: Jul 2021
Posts: 85
Likes: 4
From: North Idaho
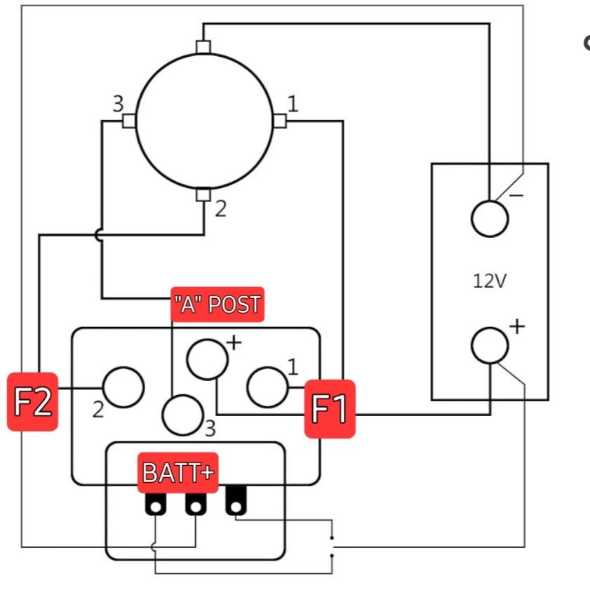
So, I had the winch working great spring in the garage here. Took it out wheeling a few days ago in a blizzard and ended up stuck in a large puddle/ small pond. Went to use the winch and nothing. Just clicks. After retrieving it the next day turns out two of the solenoids had a higher resistance then the other two. They all clicked.

Decided to switch to a contactor instead. On the following diagram that came with it which wire goes to the A terminal on the winch? My thought is number
3 since it is in the middle in the contactor and therefore common to both sides of the switch. I've searched online and found various results. Can someone with more knowledge please help?

Reply
Old Jan 19, 2024 | 09:14 PM
  #11  
aztoyman's Avatar
Registered User
10 Year Member
Liked
Loved
Community Favorite
 
Joined: Nov 2012
Posts: 1,165
Likes: 172
From: Tucson
This is from a thread on IH8MUD for a Warn 8274 and Albright contactor. IDK if this helps.
Reply
Old Jan 19, 2024 | 10:14 PM
  #12  
K5BEAST's Avatar
Thread Starter
Registered User
 
Joined: Jul 2021
Posts: 85
Likes: 4
From: North Idaho

also an albright contactor.... see what i mean, no standard..
.
Reply
Old Jan 19, 2024 | 10:16 PM
  #13  
K5BEAST's Avatar
Thread Starter
Registered User
 
Joined: Jul 2021
Posts: 85
Likes: 4
From: North Idaho

Reply
Old Jan 20, 2024 | 06:33 AM
  #14  
aztoyman's Avatar
Registered User
10 Year Member
Liked
Loved
Community Favorite
 
Joined: Nov 2012
Posts: 1,165
Likes: 172
From: Tucson
I have an 8274 and an Albright but I haven't installed it yet. IDK if you are a member on MUD but there is a guy @PIP that sells them as well as other winch parts that may be able to answer definitively. Lots of posts in the winching section of the forum.

I don't remember if I got any instructions with my contactor. I'll take a look.
Reply
Old Jan 20, 2024 | 07:37 AM
  #15  
aztoyman's Avatar
Registered User
10 Year Member
Liked
Loved
Community Favorite
 
Joined: Nov 2012
Posts: 1,165
Likes: 172
From: Tucson
I didn't get any paperwork in the box. I did some searching on MUD and found that apparently there are different Albright contactors. Maybe why you are finding conflicting information?
Here's a link to a winch thread regarding the wiring. There are other threads with pretty good info as well. IDK what winch you have so I found this thread for something other than the 8274. I hope this helps.
https://forum.ih8mud.com/threads/hel...ister.1263666/
Reply
Old Jan 20, 2024 | 05:32 PM
  #16  
K5BEAST's Avatar
Thread Starter
Registered User
 
Joined: Jul 2021
Posts: 85
Likes: 4
From: North Idaho
Thanx for the help all. Here's Edgar it ended up being.


Reply
Related Topics
Thread
Thread Starter
Forum
Replies
Last Post
GSGALLANT
General Electrical & Lighting Related Topics
5
Oct 9, 2011 11:54 PM
mountainryder00
95.5-2004 Tacomas & 96-2002 4Runners
8
Dec 8, 2008 06:09 PM
4x4Lamm
Offroad Tech
12
Aug 17, 2006 06:29 PM




All times are GMT -8. The time now is 12:37 AM.