Front Heat Problems!!
#21
I know I am pulling up an old thread, but I have the same problem with the wife's 01 Limited.
The funny thing is that I am in Chesapeake also.
Where did you end up finding the servo motor? Did you end up giving in to the dealership or find it somewhere else?
What is the part number?
The funny thing is that I am in Chesapeake also.
Where did you end up finding the servo motor? Did you end up giving in to the dealership or find it somewhere else?
What is the part number?
#25
I ended up buying one from a guy on here that was parting out a Limited 2000. It took me awhile to find one, but I refused to buy it at the dealership. I still have the part # on the toyota parts quote paper filed somewhere in my office at home, I'll have to look when I get off work. It has a denso part # on the actual servo motor which cross references to a Toyota part number.
Thanks
Vic
#26
I have the same problem with my '00 Limited Runner. I removed the servo motor, took it apart and had a look inside. The gear was stripped in one spot causing the clicking sound. Did you replace anything else when you replaced this part? I am concerned that maybe the cable or linkage under the dash may be too stiff, causing too much load on the plastic gears. I just don't want to spend the bucks (btw the part is $233 in Canada!!!) and have it fail again because I din't change another part.
Thanks
Vic
Thanks
Vic
#27
2000 Limited 4runner and the SAME PROBLEM HERE! I live in central texas and can get by with out heat most of the time but it is annoying. I haven't looked at it yet so I really don't know what I'm talking about but I wonder if the little gear can be repaired or replaced, the servo sounds fine. Might have to take apart some of the kids toys to find an adequate gear....heh heh... It might be worth giving that cable a little lube to make it pull easier.
FWIW.... I've had several Toyotas and they're all bullet proof. This one....is a lemon!
FWIW.... I've had several Toyotas and they're all bullet proof. This one....is a lemon!
#32
how to fix your stripped servo for free
Hi,
I had the same problem in my landcruiser 90 (I think it's called Prado outside europe).
The cruiser 90 mix air servo or server sub assy (damper no2) is the same as in the forerunner. (for landcruiser 90 -01-2000 till 08-2001 at least.) Denso part number 063700-7550. If you bring it to the dealer, it will cost you about 800,- euros (1000,- US dollar) (here in the netherlands) if you are smart you go to a US website and order the part yourself. it's about 120,- us dollar.
But.....since I couldn't decide for sure if it was the damper servo assy, or the damper no 2, or the damper blower and I didn't want to order the wrong part overseas I thought I might as well have a look inside and see if I can fix the little bugger myself.
Now here is how you fix it for free.
step one (getting it out of the car)
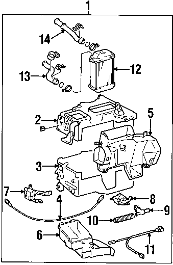
it's located at the passenger side right next to the mid console. all the way at the bottom underneath all the other A/C mumbo jumbo. It's fixed with 3 screws. the screw in the front and at the side come of easy... it's the screw in the back... yeah the once that's have been there know what I mean... the one in the back is blocked by the duct outlet.
Okay. disconnect the cable from the servo assy, disconnect the drive arm from whatever it is the servo is driving. with the front and side screw out gentle pull the servo assy down and try and twist it 45 degrees. now with a scrwdriver that is NO LONGER then a 4 cm (1.5 inch) you are able to reach the back screw... DO NOT twist without pulling it down because you will break of one of the stabilizer pins that will hold the assy in place.. (however it stays in perfect place without that pin, trust me I didn't pull down...)
Now that wasn't that bad.. unless you didn't have a very short screwdriver... trust me just don't start the job with a standard lenght screwdriver... you get a little frustrated and chances are you break of a lot more then that one stabilizer pin...
Okay... you have the assy, take the metal frame of.. (make mental note that the frame is connected with 3 screws 1 IS SHORTER then the other...just remember..)
now this is the most important part. Mark the position of the drive arm. mark it with the sharp knife on both sides of the arm.. just scratch two lines on the outer casing...
then open the servo assy.
Notice the white big gear with to coper wire thingies (sorry don't know the english word) now you'll see that the white gear is stripped off for about 12%...
The nice thing is the drive arm never moves more then 180 degrees.. so in theory if you twist the white gear 180 degrees while holding the drive arm in the same possition you will move the stripped of part out of the operating radius... well I'm happy to tell you it's not just theory.
Now unscrew the the nutt that holds the drive arm on the axis. take the drive arm of, by pulling it of the axis. (you can't rotate it while it's still on the axis since it's locked.). take the arm of.. rotate it exactly 180 degrees.. put it back on the axis and screw on the nutt. tighten it.. and move the arm back on the old possition that you marked with your knife scrathes...
Now don't worry that the two copper thingies on the white gear are different.. one has more legs then the other... DON'T try to get them of and swop positions.. they'll break... it's a nasty repair with super glue... that will drip inside the other gear..... and the servo will work without the swap anyway... the reason why I write this because I want you to be done in 30 minutes max... not in the 3 hours it took me hehe...
Now put back together the servo assy... screw the metal frame back on.. (remember the 1 screw that was shorter).. and put the complete servo assy back into your car...
IMPORTANT.. the reason why the gear broke was because whatever it was trying to move was having to much friction... with me it was the thingy under the hood that is driven by the cable connected to the servo... the Thingy became stuck because the car wasn't used for over 2 months... drowning it in WD 40 solved that.. make sure you first solve your cause of the problem.. otherwise you'll ruin your second half of your gear.. and you can only swop it once..
good luck..
(Yeah I know it's a old topic but you never know who will drop in from google with the same problem I hope I can just save them 120 dollars and add a load of fun to their lives especially with that screw in the back behind the duct with just 1.5 inch clearance...)
I had the same problem in my landcruiser 90 (I think it's called Prado outside europe).
The cruiser 90 mix air servo or server sub assy (damper no2) is the same as in the forerunner. (for landcruiser 90 -01-2000 till 08-2001 at least.) Denso part number 063700-7550. If you bring it to the dealer, it will cost you about 800,- euros (1000,- US dollar) (here in the netherlands) if you are smart you go to a US website and order the part yourself. it's about 120,- us dollar.
But.....since I couldn't decide for sure if it was the damper servo assy, or the damper no 2, or the damper blower and I didn't want to order the wrong part overseas I thought I might as well have a look inside and see if I can fix the little bugger myself.
Now here is how you fix it for free.
step one (getting it out of the car)
it's located at the passenger side right next to the mid console. all the way at the bottom underneath all the other A/C mumbo jumbo. It's fixed with 3 screws. the screw in the front and at the side come of easy... it's the screw in the back... yeah the once that's have been there know what I mean... the one in the back is blocked by the duct outlet.
Okay. disconnect the cable from the servo assy, disconnect the drive arm from whatever it is the servo is driving. with the front and side screw out gentle pull the servo assy down and try and twist it 45 degrees. now with a scrwdriver that is NO LONGER then a 4 cm (1.5 inch) you are able to reach the back screw... DO NOT twist without pulling it down because you will break of one of the stabilizer pins that will hold the assy in place.. (however it stays in perfect place without that pin, trust me I didn't pull down...)
Now that wasn't that bad.. unless you didn't have a very short screwdriver... trust me just don't start the job with a standard lenght screwdriver... you get a little frustrated and chances are you break of a lot more then that one stabilizer pin...
Okay... you have the assy, take the metal frame of.. (make mental note that the frame is connected with 3 screws 1 IS SHORTER then the other...just remember..)
now this is the most important part. Mark the position of the drive arm. mark it with the sharp knife on both sides of the arm.. just scratch two lines on the outer casing...
then open the servo assy.
Notice the white big gear with to coper wire thingies (sorry don't know the english word) now you'll see that the white gear is stripped off for about 12%...
The nice thing is the drive arm never moves more then 180 degrees.. so in theory if you twist the white gear 180 degrees while holding the drive arm in the same possition you will move the stripped of part out of the operating radius... well I'm happy to tell you it's not just theory.
Now unscrew the the nutt that holds the drive arm on the axis. take the drive arm of, by pulling it of the axis. (you can't rotate it while it's still on the axis since it's locked.). take the arm of.. rotate it exactly 180 degrees.. put it back on the axis and screw on the nutt. tighten it.. and move the arm back on the old possition that you marked with your knife scrathes...
Now don't worry that the two copper thingies on the white gear are different.. one has more legs then the other... DON'T try to get them of and swop positions.. they'll break... it's a nasty repair with super glue... that will drip inside the other gear..... and the servo will work without the swap anyway... the reason why I write this because I want you to be done in 30 minutes max... not in the 3 hours it took me hehe...
Now put back together the servo assy... screw the metal frame back on.. (remember the 1 screw that was shorter).. and put the complete servo assy back into your car...
IMPORTANT.. the reason why the gear broke was because whatever it was trying to move was having to much friction... with me it was the thingy under the hood that is driven by the cable connected to the servo... the Thingy became stuck because the car wasn't used for over 2 months... drowning it in WD 40 solved that.. make sure you first solve your cause of the problem.. otherwise you'll ruin your second half of your gear.. and you can only swop it once..
good luck..
(Yeah I know it's a old topic but you never know who will drop in from google with the same problem I hope I can just save them 120 dollars and add a load of fun to their lives especially with that screw in the back behind the duct with just 1.5 inch clearance...)
Last edited by nat2500; Mar 5, 2010 at 12:28 AM. Reason: 800 euro is not 100 dollar but 1000 dollar :-)
#35
#36
After pulling the servo from under the dash and connecting it back with the power plug while it is out, the arm moves freely 90 degrees or so when I turn the heat from hot to cold. I thought there would be some binding due to a stripped gear but it moves pretty good. I guess its possible that when it is under load and moving when fully installed is when I get the binding. How quick it should move is unknown to me. Maybe the motor is going and is moving with less power than it should and causing my clicking/heat problems. Like I said, it moves good when out of location and just laying on my floor. Still clueless as to where to go from here though. I will try and take apart the servo and have a look inside. Arghhhh
#37
Update *
I opened the servo up and did indeed find what I was looking for. The 25% of the gear that is used in operation has a good portion of it that is stripped away. I either need to order a new servo or turn the gear so I can use a good portion of it as only 25% of the gear is used in moving the arm 90 degrees. My question now is, what cause the gears to strip in the first place. Old age? Or could something need to be lubed somewhere along the line to help out. I'm thinking if a cable is dry somewhere and causing more load than normal on the arm, which would then cause more load on the gears causing them to strip. The truck does have 187,000 on it though, so I suppose it could be old age.
I opened the servo up and did indeed find what I was looking for. The 25% of the gear that is used in operation has a good portion of it that is stripped away. I either need to order a new servo or turn the gear so I can use a good portion of it as only 25% of the gear is used in moving the arm 90 degrees. My question now is, what cause the gears to strip in the first place. Old age? Or could something need to be lubed somewhere along the line to help out. I'm thinking if a cable is dry somewhere and causing more load than normal on the arm, which would then cause more load on the gears causing them to strip. The truck does have 187,000 on it though, so I suppose it could be old age.
#38
I did some work yesterday based on what I read here, unfortunately, I didn't have such luck finding the problem.
Vehicle: 2001 4Runner w/manual climate controls
Problem: Only shows up when below freezing temps - Luke warm front heat, and can't control what vent it comes out of. Rear heat works fine but takes forever to warm up the cabin.
With cold weather on its way I couldn't put this off for any longer. I took out and inspected all 3 servo motors. It wasn't very hard to get to them. I will describe with pictures later.
The mix control motor that others have been describing as the culprit was in fine condition. The only problem I saw was that the resistance checks were backward compared to what the service manual described. But I'm not too worried about that, the thing that matters is that I get cold air when the control knob is in the cold position, and vice versa for hot.
The other 2 motors were fine as well. The one near the driver controls Vent output, and the one above the fan just controls the interior re-recirculation flapper.
So results were entirely inconclusive. I just put everything back together and visually tested for proper function. Which is the only good thing that resulted from my work. I now know where the motors are and what they are supposed to do. So I will try to share my learning experience when I have time to upload photos.
At this time I think my problem is the control box (where the knobs are). This unit is more than switches, it has feedback control and electronic amplification. It could be temperature sensitive. Another indication that the controls are at fault is that I have multi-problem syptoms (2 separate servo motors going cuckoo).
BUT, lately I have been hearing a relay type clicking coming from the fan area. Perhaps there is a bad relay, I hope to diagnose when it gets cold again.
Vehicle: 2001 4Runner w/manual climate controls
Problem: Only shows up when below freezing temps - Luke warm front heat, and can't control what vent it comes out of. Rear heat works fine but takes forever to warm up the cabin.
With cold weather on its way I couldn't put this off for any longer. I took out and inspected all 3 servo motors. It wasn't very hard to get to them. I will describe with pictures later.
The mix control motor that others have been describing as the culprit was in fine condition. The only problem I saw was that the resistance checks were backward compared to what the service manual described. But I'm not too worried about that, the thing that matters is that I get cold air when the control knob is in the cold position, and vice versa for hot.
The other 2 motors were fine as well. The one near the driver controls Vent output, and the one above the fan just controls the interior re-recirculation flapper.
So results were entirely inconclusive. I just put everything back together and visually tested for proper function. Which is the only good thing that resulted from my work. I now know where the motors are and what they are supposed to do. So I will try to share my learning experience when I have time to upload photos.
At this time I think my problem is the control box (where the knobs are). This unit is more than switches, it has feedback control and electronic amplification. It could be temperature sensitive. Another indication that the controls are at fault is that I have multi-problem syptoms (2 separate servo motors going cuckoo).
BUT, lately I have been hearing a relay type clicking coming from the fan area. Perhaps there is a bad relay, I hope to diagnose when it gets cold again.
Last edited by LifeOnABoard; Sep 12, 2011 at 08:02 AM. Reason: spelling
#39
I did some work yesterday based on what I read here, unfortunately, I didn't have such luck finding the problem.
Vehicle: 2001 4Runner w/manual climate controls
Problem: Only shows up when below freezing temps - Luke warm front heat, and can't control what vent it comes out of. Rear heat works fine but takes forever to warm up the cabin.
Vehicle: 2001 4Runner w/manual climate controls
Problem: Only shows up when below freezing temps - Luke warm front heat, and can't control what vent it comes out of. Rear heat works fine but takes forever to warm up the cabin.
2. Did you try the self-diagnostic routine? No scanner needed, it outputs trouble codes on the temp read-out. Details are in the on-line FSM.
3. Some have had to replace, or just reconnect, the on-board temp sensor on these units. Keep that in mind as you troubleshoot.
#40
1. If you have servo motors, that is not a manual control. That is the electronic/auto control.
2. Did you try the self-diagnostic routine? No scanner needed, it outputs trouble codes on the temp read-out. Details are in the on-line FSM.
3. Some have had to replace, or just reconnect, the on-board temp sensor on these units. Keep that in mind as you troubleshoot.
2. Did you try the self-diagnostic routine? No scanner needed, it outputs trouble codes on the temp read-out. Details are in the on-line FSM.
3. Some have had to replace, or just reconnect, the on-board temp sensor on these units. Keep that in mind as you troubleshoot.
http://www.ncttora.com/fsm/1996/SIL/...eauni/comp.pdf
So while I understand that this is contradictory, I'm just going to call them servomotors. They may or may not provide closed loop feedback, but they do provide position feedback.
There are supposed to be 2 temp sensors but I didn't spot those, any help in locating them is appreciated.
Unfortunately I don't have any temperature display, or do I? Will the odometer give me a temp?


