LOG IN
REGISTER
Forums
Site Information
The Rules
Meet The Staff
Announcements, Tips & Tricks, Site Feedback, Test Section, & Contact Us
Announcements
Tips & Tricks
Site Feedback
Post Your Tests Here
Contact Us
Product-Gear Reviews
Product Reviews
Tech Write-Ups (Staging Area & More Articles In The Wiki)
Staging Area For Tech Article Submissions
Appearance
Electrical
Maintenance & Repair
Off Road Enhancements
Performance Enhancements
Toyota SUV & Truck Tech
Newbie Tech Section
General Vehicle Related Topics (Non Year Related)
General Electrical & Lighting Related Topics
Tires & Wheels
Pre 84 Trucks
84-85 Trucks & 4Runners
86-95 Trucks & 4Runners
95.5-2004 Tacomas & 96-2002 4Runners
03+ 4Runner/GX470, & 05+ Tacomas
2010+ 4Runner
Toyota RAV4 Forum
2016+ Tacomas
Early Land Cruisers
FJ Cruiser
99+ Tundra, 00+ Sequoia, 98+ Land Cruiser/LX470
93-98 T100s
Prerunner & All 2WD Rigs
Looking For A Mechanic/Fabricator/Shop
Maintenance & Repair Archives
Off Road Tech, Fab Shop, Solid Axle Swaps, Tool Time, & Engine Swaps
Offroad Tech
The Fab Shop
Solid Axle Swaps, All Years
Tool Time
Engine Swap Talk
Trip Planning, Trail Reports, Land Usage, 4Wheeling 101, Camping Gear, Off-Road Gourmet, & More
Off Road Trip Planning, Expeditions, Trips, & Events
Trip-Trail Reports & Photos
Land Usage & Off Road Responsibility
4Wheeling 101
Camping, Expedition, & Overlanding Gear
The Off-Road Gourmet
First Aid / General Medicine
Sportsman Section
Electronics
Computer Talk
Photography/Cameras
Vehicle Audio & Home Entertainment
GPS & Communication
Alarm Systems
RC Vehicles
Other Modes Of Tranportation
Other Makes Cars/Trucks
Cycling
Motorcycles
Snow Sports
Watercraft
Vendors
YotaWorks
Gobi Racks
Vendors Build-Ups (Build-Up Section)
YotaTech Classifieds
Axles - Suspensions - Tires - Wheels
Engines - Transmissions
Vehicles - Trailers (Complete)
Vehicles - Parting Out
Tools
Misc Stuff (Vehicle Related)
Misc Stuff (Non Auto Related)
Buying & Selling Advice - Feeler/Gauging Interest
Items Wanted
Hot Deals - Free Stuff - Craigslist
Seller - Buyer Ratings For Members
The Classifieds GraveYard
Toyota Aftermarket & OEM Parts Suppliers
YotaTech Knowledge Base
FAQ
Tech Write-Ups
Tech Write-Up Archives
4Runner History
Regional Forums
4ROC
News
Marketplace
Vendor Directory
Become a Vendor
Site Store
New Posts
Tools
Car Payment Calculator
Tire Rim Calculator
Vin Decoder
Recalls
Technical Service Bulletins (TSBs)
Members List
Live Feed
How-Tos
Gallery
Log In
Register
Threads
Google
Threads
Posts
Advanced
Log In
Forgot your Password?
By logging into your account, you agree to our
Terms of Use
and
Privacy Policy
, and to the use of cookies as described therein.
or
Login with Facebook
Recent
Commented
Albums
My Pictures
Flag as Inappropriate
Please enter a short description of why you think this image is inappropriate
Send
×
Vote
Share
BBCode for forum sharing:
Copy
Enlarge
|
Flag Picture
Thanks for your help!
Also In This Album
My Post Pictures (25) »
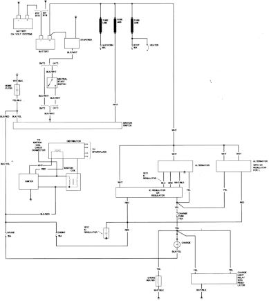
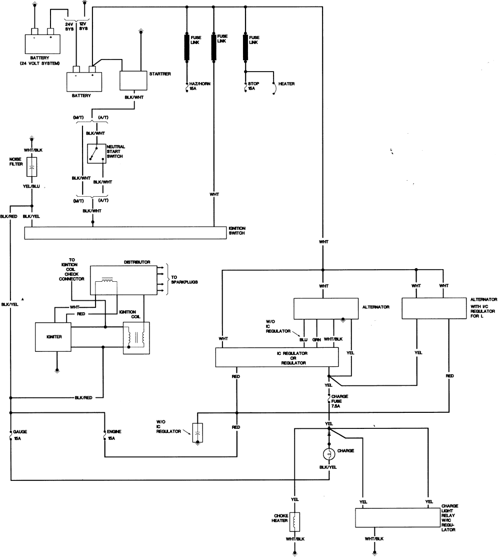
Co_94_PU
February 23, 2017
83 pickup ciruit from autozone
Original Thread
Help with headlights
More About This Picture
Vehicle
N/A
Location
N/A
Keywords
N/A
Discover More Pictures
See More
Advertisement
Comments (0)
Please
Register
or
log in
to leave a comment.
Be the first to comment on this picture!
Be the first to comment on this picture!